商品信息
基本参数
- 产地江苏
- 品牌
- 产品型号
- 产品操作
- 产品应用范围
- 产品材料等级
- 产品表面处理
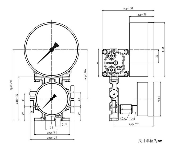
- 品牌威卡WIKA
- 型号712.15.160
- 类型压力真空表
- 原理弹性式压力表
- 安装方式凸装/墙装
- 测量精确度标准压力计
- 显示方式指针
- 精度等级1.0级
- 公称直径40mm
- 最大工作压力1MPa
- 联结型式3
- 环境温度5℃
- 用途7
- 加工定制否
- 外形尺寸9
- 重量4kg
- 产地原厂
产品简介:
产品详情:正品直销德国威卡WIKA全不锈钢波登管压力表径向g1/2232.50.100
德国威卡WIKA全不锈钢波登管压力表(耐冲击)233.50.100径向G1/2
威卡213.53.063轴向前皮带外缘G1/4BWIKA黄铜波登管压力表(耐冲击)
德国威卡WIKA黄铜波登管压力表(防震)213.53.100radialM20X1.5
正品德国威卡WIKA全不锈钢波登管压力表径向g1/4b/232.50.063
正品sales德国import威卡压力表WIKA A-10通用型压力变送器G1/4A
德国威卡WIKA黄铜波登管压力表轴向前皮带边沿G1/2耐震/213.53.100
正品sales德国import威卡压力表WIKAS-20高端压力变送器G1/4A
233.50.063径向G1/4B德国威卡WIKA全不锈钢波登管压力表/防震
正品直销威卡WIKA全不锈钢波登管压力表(耐冲击)233.50.063/g1/4b
正品sales德国import威卡压力表WIKA A-10通用型压力变送器G1/4B
德国进口威卡WIKA差压表(液位计)G1/4female不锈钢压力表
苏州兴志宝电子科技有限公司直销代理商德国WIKA威卡压力表,有大量库存,还可以根据您的需要定制WIKA压力表,如有需或有疑点请联系。






